概述
CS6124是一款电容感应式触摸检测芯片,提供4 个触摸输入端口及4 个直接输出端口,并支持多点同时触摸同时输出,感应效果稳定,取代传统的机械开关和普通按键,广泛应用在电子产品中。
特点
◆ 工作电压2.5V-5.5V
◆ 低待机电流@电池电压=4.0V I=15uA(典型值)
◆ 各键触摸灵敏度统一由一个外部电容设置调节
◆ 无触摸按键持续超过 4秒,进入待机模式
◆ 可靠的上电复位(POR)及低电压复位功能(LVR)
◆ 通过引脚设置OD输出或CMOS输出、设置直接输出模式或锁存输出、以及设置高电平或低电平有效
◆ 可在有介质隔离保护的情况下(如玻璃,亚克力等材质)实现触摸功能,安全性高◆ SOP-14封装
应用范围
◆ 各种消费性产品
◆ 取代传统机械开关和按钮按键
管脚分布与定义
功能选择引脚配置
OD\TOG\AHL内有上拉电阻,悬空时为 1,如需选择0 将其连接到GND
极限参数
备注:超过上面极限参数可能引起器件永久性损坏。这些仅仅是应力极限值,器件不建议在这些极限值或者其他任何超过下面“推荐工作条件”的条件下工作。长时间暴露在上面极限参数条件下工作可能影响器件可靠性。
电气参数
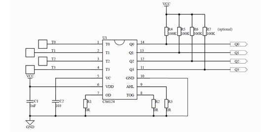
典型应用电路
注意事项:
1、PCB 走线时,从触摸点到芯片引脚线越短越好,且此引线与其它触摸点的走线不要平行或交叉。
2、电源供应必须稳定,若供给电源之电压纹波比较大,会造成灵敏度异常或误侦测。
3、当介质材料及厚度等差异较大时,可通过调整 VC 与 GND 之间的 Cvc 电容来调节触摸灵敏度。建议的取值范围在1nF~47nF之间,典型值为10nF,在范围内电容值越大,灵敏度越高,电容值越小则灵敏度越低。必须选用较小的温度系数及较稳定的电容器;如X7R、NPO,建议选择NPO 电容器,以降低因温度变化而影响灵敏度。
封装信息
SOP-14
营销体系:王先生
电话:0592-6535160-208
手机:13950199583
传真:0592-6535166
邮箱:wcg@chipsun.com
地址:福建省厦门市同安区五显镇布塘中路1687号