Cs6124 is a capacitive inductive touch detection chip, which provides 4 touch input ports and 4 direct output ports, and supports multi-point simultaneous touch and simultaneous output. The sensing effect is stable. It replaces the traditional mechanical switches and ordinary keys and is widely used in electronic products.
characteristic
◆ working voltage: 2.5v-5.5v
◆ low standby current @ battery voltage = 4.0V I = 15ua (typical value)
◆ the touch sensitivity of each key is uniformly adjusted by an external capacitor setting
◆ no touch button lasts for more than 4 seconds and enters the standby mode
◆ reliable power on reset (POR) and low voltage reset (LVR)
◆ set od output or CMOS output through pin, set direct output mode or latch output, and set high-level or low-level effective
◆ the touch function can be realized under the condition of medium isolation protection (such as glass, acrylic and other materials), with high safety ◆ sop-14 packaging
Scope of application
◆ various consumer products
◆ replace traditional mechanical switches and buttons
Pin distribution and definition
Function ion pin configuration
Limit parameters
Remarks: exceeding the above limit parameters may cause permanent damage to the device. These are only stress limits, and the device is not recommended to operate under these limits or any other conditions exceeding the following "recommended operating conditions". Long time exposure to the above limit parameters may affect the reliability of the device
Electrical parameters
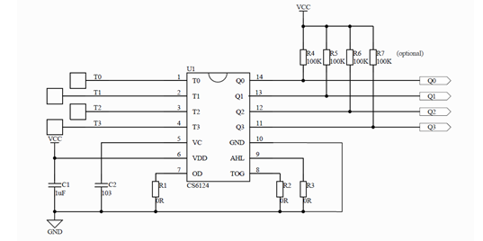
Typical application circuit
matters needing attention:
1. During PCB routing, the shorter the lead from the touch point to the chip pin, the better, and the routing of this lead and other touch points shall not be parallel or cross.
2. The power supply must be stable. If the voltage ripple of the power supply is relatively large, it will cause abnormal sensitivity or false detection.
3. When the difference of dielectric material and thickness is large, the touch sensitivity can be adjusted by adjusting the CVC capacitance between VC and GND. The recommended value range is 1NF ~ 47nF, and the typical value is 10nf. Within the range, the greater the capacitance value, the higher the sensitivity, and the smaller the capacitance value, the lower the sensitivity. Smaller temperature coefficient and more stable capacitor must be ed; For example, X7R and NPO, it is recommended to NPO capacitor to reduce the sensitivity affected by temperature change.
Encapsulation information
SOP-14